Architectural Stainless Steel Heat Exchangers
A durable, efficient swimming pool heat exchanger from a dependable manufacturer
Architectural are one of the leading swimming pool heat exchanger manufacturers in the UK, and have built up a superior reputation for technical design innovation and for consistantly manufacturing swimming pool equipment of a dependable, high quality.
A robust, welded construction guarantees the Architectural Stainless Steel Heat Exchanger for longevity, whilst its compact design and proficiency to be wall mounted ensures that this heat exchanger will save you on space and is a highly efficient method for heating commercial or domestic swimming pools.

Honeywell Mechanical
        Thermostat  | 
    |||
 
 
 
 Honeywell Thermostat & Drilled End Cap  | 
    |||
Note: End Cap requires Pocket 
 Thermostat Pocket & End Cap  | 
    |||
To buy an Architectural Stainless Steel Heat Exchanger head to our sister site click here

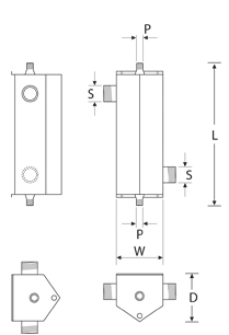
Installation of the Architectural Stainless Steel Heat Exchangers
Architectural Stainless Steel Heat Exchangers provide a simple method of heating swimming pool water indirectly from a central heating boiler and should be installed downstream of the pumping and filtration equipment. The boiler needs to be pump assisted (and controlled by a thermostat in the pool water pipe before the heat exchanger and set at the required water temperature) with usual precautions taken to prevent air locks.
Following installation of the Architectural stainless steell heat exchanger, attention should be given to general maintenance of all the pool equipment, most important being the water condition (which can have a direct effect on pool equipment).
Proper purification of the water is essential and will ensure for a healthier pool, the saftey of bathers, and will avoid any unpleasant smells associated with wrong chlorine dosage and also protect equipment from being broken down. The ideal pool pH should be kept to between 7.4 and 7.6 and should never be allowed to fall below 7.2 or above 7.8, otherwise deterioration of pool equipment will occur.
A quick guide on operating conditions for Architectural Stainless Steel Heat Exchangers
- Maintain that free chlorine levels are within the recommended range (as set by the chemical manufacturer) and conform to the needs of the type of pool being used (i.e. private, municipal, hotel, school etc).
 - Check that pH levels are being managed within the correct levels on a day to day basis, and alter as needed.
 - Keep debris such as leaves or grass cuttings out of the water as foreign matter can decay and increase the pH.
 - Management of the correct chlorine dosage is essential. It shouldn't be added to only one area of the pool as this will create high acidic areas which could cause corrosion of the pool equipment. Chemcials should instead be distributed to various areas of the pool and measured accordingly to the correct dosage.
 - It's imperative in the case of a by-pass being fitted to the exchanger circuit that any valves are correctly positioned and allow for the recommended pool water flow to pass through the heat exchanger. Incorrect flows can cause deterioration to swimming pool equipment.
 - It's important that the filter unit is checked regularly, especially with sand filters. With this kind of filter, an incorrect function can allow sand to pass around the pool circuit and cause corrosion of the pump unit, heat exchanger and pipe work.
 


  










